مشاهده
کاتالوگ
دسته محصول
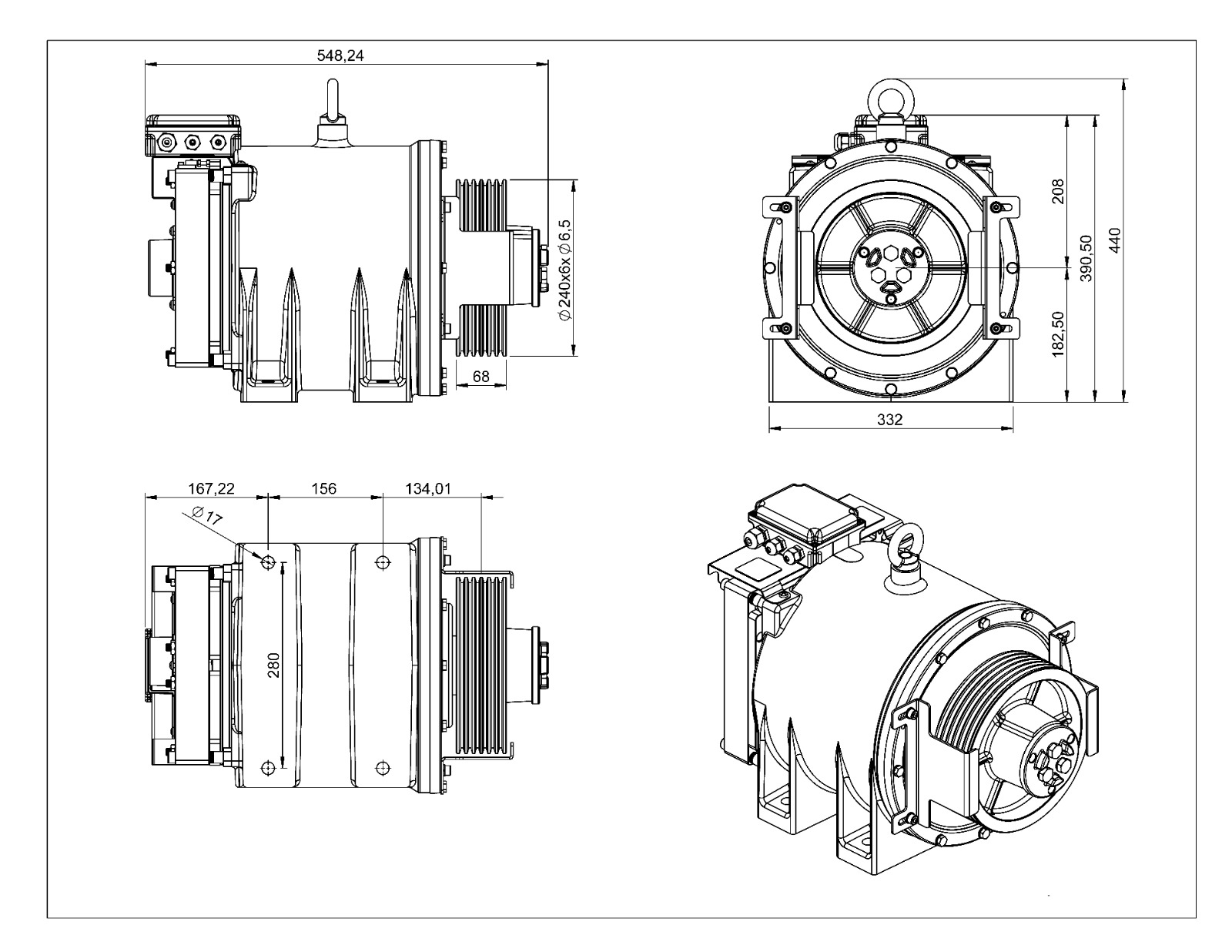
سری MUGEN
| Askı Tipi | 2:1 | ||||||||
| Statik Yük | 7000 KG | ||||||||
| Suspension | Static Load | ||||||||
| Tipi Type |
Hız (m/s) Speed (m/s) | Kapasite (kg) Capacity (kg) |
Güç (kW) Power(kW) |
Kasnak Ø Pulley Ø | Kasnak Ölçüleri Pulley Dimension |
Akım In | Kutup - Frekans Pole - Frequency |
Devir (rpm) Revolution |
Tork (Nm) Torque |
| MUGEN MRL 2 | 0,63 | 320 | 1,2 | 240 | 240x4x6,5 | 3,7 | 20P- 16,71 | 100 | 118 |
| MUGEN MRL 2 | 1,00 | 320 | 2,0 | 240 | 240x4x6,5 | 5,2 | 20P- 26,53 | 160 | 118 |
| MUGEN MRL 2 | 1,60 | 320 | 3,1 | 240 | 240x4x6,5 | 7,8 | 20P- 42,44 | 255 | 118 |
| MUGEN MRL 2 | 0,63 | 320 | 1,2 | 320 | 320x4x8 | 3,7 | 20P 12,53 | 75 | 157 |
| MUGEN MRL 2 | 1,00 | 320 | 2,0 | 320 | 320x4x8 | 5,9 | 20P-19,89 | 120 | 157 |
| MUGEN MRL 2 | 1,60 | 320 | 3,1 | 320 | 320x4x8 | 8,3 | 20P-31,83 | 191 | 157 |
| MUGEN MRL 2 | 0,63 | 400 | 1,5 | 240 | 240x5x6,5 | 5,0 | 20P- 16,71 | 100 | 147 |
| MUGEN MRL 2 | 1,00 | 400 | 2,4 | 240 | 240x5x6,5 | 7,0 | 20P- 26,53 | 160 | 147 |
| MUGEN MRL 2 | 1,60 | 400 | 3,9 | 240 | 240x5x6,5 | 10,0 | 20P- 42,44 | 255 | 147 |
| MUGEN MRL 2 | 0,63 | 400 | 1,5 | 320 | 320x5x8 | 5,5 | 20P 12,53 | 75 | 196 |
| MUGEN MRL 2 | 1,00 | 400 | 2,4 | 320 | 320x5x8 | 7,4 | 20P-19,89 | 120 | 196 |
| MUGEN MRL 2 | 1,60 | 400 | 3,9 | 320 | 320x5x8 | 10,4 | 20P-31,83 | 191 | 196 |
| MUGEN MRL 2 | 0,63 | 480 | 1,9 | 210 | 210x6x6,5 | 6,0 | 20P- 19.16 | 115 | 155 |
| MUGEN MRL 2 | 1,00 | 480 | 2,9 | 210 | 210x6x6,5 | 8,0 | 20P-30.33 | 182 | 155 |
| MUGEN MRL 2 | 1,60 | 480 | 4,7 | 210 | 210x6x6,5 | 12,0 | 20P-48,5 | 291 | 155 |
| MUGEN MRL 2 | 0,63 | 480 | 1,9 | 240 | 240x5x6,5 | 6,0 | 20P- 16,71 | 100 | 177 |
| MUGEN MRL 2 | 1,00 | 480 | 2,9 | 240 | 240x5x6,5 | 8,0 | 20P- 26,53 | 160 | 177 |
| MUGEN MRL 2 | 1,60 | 480 | 4,7 | 240 | 240x5x6,5 | 12,0 | 20P- 42,44 | 255 | 177 |
| MUGEN MRL 2 | 0,63 | 480 | 1,9 | 320 | 320x5x8 | 6,6 | 20P 12,53 | 75 | 235 |
| MUGEN MRL 2 | 1,00 | 480 | 2,9 | 320 | 320x5x8 | 8,9 | 20P-19,89 | 120 | 235 |
| MUGEN MRL 2 | 1,60 | 480 | 4,7 | 320 | 320x5x8 | 12,5 | 20P-31,83 | 191 | 235 |
| MUGEN MRL 2 | 0,63 | 630 | 2,4 | 210 | 210x7x6,5 | 7,4 | 20P- 19.16 | 115 | 203 |
| MUGEN MRL 2 | 1,00 | 630 | 3,9 | 210 | 210x7x6,5 | 10,2 | 20P-30.33 | 182 | 203 |
| MUGEN MRL 2 | 1,60 | 630 | 6,2 | 210 | 210x7x6,5 | 15,4 | 20P-48,5 | 291 | 203 |
| MUGEN MRL 2 | 0,63 | 630 | 2,4 | 240 | 240x6x6,5 | 7,4 | 20P- 16,71 | 100 | 232 |
| MUGEN MRL 2 | 1,00 | 630 | 3,9 | 240 | 240x6x6,5 | 10,2 | 20P- 26,53 | 160 | 232 |
| MUGEN MRL 2 | 1,60 | 630 | 6,2 | 240 | 240x6x6,5 | 15,4 | 20P- 42,44 | 255 | 232 |
| MUGEN MRL 2 | 0,63 | 630 | 2,4 | 320 | 320x6x8 | 6,6 | 20P 12,53 | 75 | 309 |
| MUGEN MRL 2 | 1,00 | 630 | 3,9 | 320 | 320x6x8 | 11,7 | 20P-19,89 | 120 | 309 |
| MUGEN MRL 2 | 1,60 | 630 | 6,2 | 320 | 320x6x8 | 16,4 | 20P-31,83 | 191 | 309 |
| MUGEN MRL 2 | 0,63 | 800 | 3,1 | 210 | 210x8x6,5 | 9,4 | 20P- 19.16 | 115 | 258 |
| MUGEN MRL 2 | 1,00 | 800 | 4,9 | 210 | 210x8x6,5 | 13,0 | 20P-30.33 | 182 | 258 |
| MUGEN MRL 2 | 1,60 | 800 | 7,8 | 210 | 210x8x6,5 | 19,6 | 20P-48,5 | 291 | 258 |
| MUGEN MRL 2 | 0,63 | 800 | 3,1 | 240 | 240x7x6,5 | 9,4 | 20P- 16,71 | 100 | 294 |
| MUGEN MRL 2 | 1,00 | 800 | 4,9 | 240 | 240x7x6,5 | 13,0 | 20P- 26,53 | 160 | 294 |
| MUGEN MRL 2 | 1,60 | 800 | 7,8 | 240 | 240x7x6,5 | 19,6 | 20P- 42,44 | 255 | 294 |